Ačkoliv jsem tuto zkoušečku vyrobil již v roce 1977,a v roce 1987 upravil na světelnou diodu,používám ji v zaměstnání společně s vadaskou dodnes.Jedná se o skutečně jednoduchou zkoušečku domovních zásuvek,která sice nemůže konkurovat profesionálním výrobkům,ale účel bez problémů splní také.Zkoušečka je pouze informativní,není-li po ruce vadaska.
popis
výrobku.
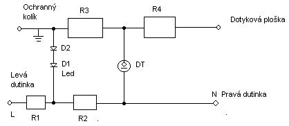
Zkoušečka je vestavěna do vidlice určené pro zasunutí do zásuvek na 240V..Rezistory R1,R2 je nastaven proud led diodou D1.Dioda D2 chrání led diodu v závěrném směru. Rezistor R3 bývá součástí doutnavky,jeho hodnota je různá podle typu doutnavky. Rezistor R4 odděluje dotykovou plošku na kterou přikládáme při testu palec. doutnavka Dt velikostí taková aby se dala namontovat do zkušební vidlice.Schéma zapojení je na obr.1
Schéma zapojení obr.1
. 
Seznam
součástek.
Rezistory:
R1,R2 …55K , R3
….1M5, R4… M22
Diody:
D1 : Led Dioda
10mm 2V/0.010A
D2 : KY 132/1000V
(Závěrné napětí nutno dodržet)
Dotyková ploška :
Šroubek M3
Vidlice s rovným
napojením kabelu
Zjistitelné závady touto zkoušečkou.
A) zjistitelné
poruchy v zásuvce TN-C po zasunutí přípravku do zkoušené zásuvky :
1.) zásuvka je v pořádku : svítí pouze Led dioda
2.) přerušený PEN vodič : Led dioda nesvítí (ochranný kolík),při dotyku palce na plošku (hlavičku šroubku) svítí pouze doutnavka.
3.) přehozený fázový vodič : svítí Led dioda společně s doutnavkou.
B.) zjistitelné
poruchy v zásuvce TN-S po zasunutí přípravku do zkoušené zásuvky :
1.) zásuvka je v pořádku : svítí pouze Led dioda
2.) přerušený ochranný nulový vodič PE : nesvítí Led dioda ani doutnavka
3.) přerušený ochranný nulový vodič PE i pracovní nulový vodič : po dotyku palce na plošku (hlavičku šroubku) svítí pouze doutnavka.
4.) přerušený pracovní nulový vodič : svítí Led dioda společně s doutnavkou.
5.) přehozený fázový vodič s pracovním nulovým vodičem : svítí Led dioda společně s doutnavkou.
Použité Prameny:
Amatérské Rádio B/6/1976
Vágner
Vlastimil vagnervlastimil@seznam,cz
Článek publikován v časopise Radio
Plus KTE, PE A-Rádio,